| Tình trạng sẵn có: | |
|---|---|
UTM-50PRS.
EBP INSTRUMENTS
Thượng Hải.
90 bộ / tháng
TT trước
1 bộ
Ứng dụng:
UTM-PRS. Sê-ri (không gian kép) Máy kiểm tra độ cứng vòng ống, chủ yếu được sử dụng để xác định độ cứng của vòng, mềm và nén các bánh nhựa nhiệt dẻo có mặt cắt tròn. Nó phù hợp với các yêu cầu của tất cả các loại ống nhựa, chẳng hạn như ống trên tường có cấu trúc, Ống sóng PE, ống xoắn ốc, v.v.

Tiêu chuẩn:
Máy có thể đáp ứng ISO9969, ISO5893, ASTM D638, ASTM D790, ISO37, ASTM E4, ISO6892, ISO75000-1, EN 10002-4, v.v.
Đặc trưng:
1. Đối với đường ống có đường kính trong không đều, thiết bị đo biến dạng độ dày tường cũng được sử dụng để đo biến dạng đường kính trong. Độ chính xác của phép đo cao và điều khiển là chính xác và đáng tin cậy.
2. Loại điều khiển vi máy tính có công nghệ tích hợp chip nâng cao, hệ thống khuếch đại và thu thập dữ liệu được thiết kế chuyên nghiệp và phần mềm kiểm soát. Phần mềm điều khiển có thể tự động lấy dữ liệu thử nghiệm như độ cứng của vòng và tuân thủ vòng theo yêu cầu tiêu chuẩn.
3. Hệ thống điều khiển servo AC kín nâng cao cho phép tăng độ chính xác và ổn định kiểm soát. Mạch lấy mẫu quảng cáo độ phân giải cao được giới thiệu để thu thập dữ liệu kiểm tra, ngay cả giá trị cao nhất cũng sẽ không bị mất.
4. Thiết kế độc đáo của hệ thống đo đường kính trong làm cho các mẫu dễ dàng cài đặt và đo cảm biến chính xác.
Thông số công nghệ:
PRS-30EW. | PRS-50EW. | PRS-100EW. | PRS-200W. | PRS-300EW. | |
Tối đa. Tải (KN) | 30 | 50 | 100 | 200 | 300 |
Tiêu chuẩn hiệu chuẩn. | Lớp 0,5. | ||||
Phạm vi tải | 0,4% ~ 100% F.S | ||||
Độ phân giải dịch chuyển | 0,001mm. | ||||
Tốc độ thử nghiệm (mm / phút) | 0,05-500. | ||||
Tốc độ chéo | ± 0,5% tốc độ thiết lập | ||||
Đường kính đường ống | Tùy chỉnh (110mm-3000mmm) | ||||
Chiều rộng thử nghiệm hiệu quả | |||||
Nguồn cấp | AC 220 V / 380V | ||||
Phụ kiện chính:
Đặt phòng bảo hành trong vòng một năm và hướng dẫn vận hành.
Một nhóm vật cố (nén)
Thiết bị đo biến dạng đặc biệt cho độ cứng vòng
Tế bào tải chính xác cao USA cung cấp độ cứng cao, độ ổn định cao và tuyến tính cao

Phần mềm kiểm soát đặc biệt cho máy thử nghiệm trong môi trường hoạt động của Windows
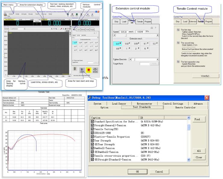
Giao diện phần mềm máy tính, thử nghiệm hiển thị dữ liệu, phương thức thiết lập, kích thước mẫu
Có thể hiển thị tải - dịch chuyển, Tải - Thời gian, tải-óng hẹp, căng thẳng căng thẳng, thời gian căng thẳng, căng thẳng thời gian, căng thẳng tải, dormed-doment, mất thời gian để hiển thị và in; Có thể chuyển đổi bất cứ lúc nào để quan sát, phóng to và thu nhỏ, chuyển động ngang hoặc dọc, lấy mẫu tốc độ cao thời gian thực.
Thông tin sản phẩm đã thử nghiệm: Cung cấp cho người dùng với dữ liệu để đặt về các sản phẩm, một Thời gian để nhập và sử dụng lại vĩnh viễn. vì Cải thiện độ chính xác, dữ liệu có thể là được sửa chữa bởi công thức tự động.
Đơn vị kg, n, lb có thể được trao đổi

Kiểm tra tiêu chuẩn: Cung cấp cho người dùng các ứng dụng cần thiết để kiểm tra, bao gồm GB, ASTM, DIN, JIS, BS ... và các đặc điểm kỹ thuật tiêu chuẩn thử nghiệm khác.
Báo cáo đầu ra và in: Excel, Word, Báo cáo kiểm tra mẫu, có thể được chỉnh sửa tùy chỉnh thành Hiển thị thông tin kiểm tra, bao gồm người kiểm tra, tiêu chuẩn kiểm tra, đường cong kiểm tra, kiểm tra tối đa Tải vv, có thể thêm logo công ty và tên công ty của bạn, dễ dàng chỉnh sửa.

Nhà | Sản phẩm | Các trường hợp | Tải xuống | Video | Tin tức | Về chúng tôi | Tiếp xúc